
Кто отвечает за CX в компании: роли и зоны ответственности
Разбираем цепочку ролей и зон ответственностей: кто формирует стратегию CX, кто отвечает за внедрение изменений в процессах и кто все реализовывает.
Закупки сырья, материалов, оборудования в тех или иных объемах выполняют все предприятия. В торгово-производственных компаниях это часть основного бизнес-процесса. В других, например, ИТ-компаниях, управление закупками – это сервисный или обеспечивающий бизнес-процесс. Процедуры закупок сильно различаются от отрасли к отрасли – от жестких регламентов федерального законодательства в государственных учреждениях до «живых» неформализованных закупочных процедур в малом бизнесе.
Рассмотрим закупочные процедуры с точки зрения автоматизации, применяемых для этого решений и существующих ограничений. Выделим основные этапы закупок и возможности автоматизации каждого из них.
Можно условно выделить следующие группы инструментов автоматизации, используемые в различных компаниях:
Инструменты автоматизации закупочных процедур
Закупочные процедуры государственных компаний регламентируют закон №44-ФЗ «О контрактной системе в сфере закупок товаров, работ, услуг для обеспечения государственных и муниципальных нужд» и закон №223-ФЗ «О закупках товаров, работ, услуг отдельными видами юридических лиц».
Существует несколько проверенных ИТ-систем, которые позволяют выполнять закупки в соответствии с требованиями законодательства. Такое специализированное ПО включает в себя не только учетные системы предприятия, но и интеграцию с централизованными торговыми площадками или отдельное приложение подобной торговой площадки. Часто такие решения разрабатываются внутри учреждения или специализированно одним из интеграторов.
Многие компании, относящиеся к сегменту крупного бизнеса, попадают под регламенты 223-ФЗ о закупках, но реализуют их с иной позиции, учитывая свою коммерческую направленность. В первую очередь, речь идет о госкорпорациях. Работа с регламентным исполнением бизнес-процесса без автоматизации всей цепочки работ широко распространена в крупных компаниях.
Тем не менее, в сфере крупного бизнеса зародились и используются специализированные для автоматизации закупочной деятельности системы и подсистемы. Это решения класса SRM (Supplier Relationship Management) и аналогичные по функционалу модули крупных ERP. На больших объемах данных особенно важны контроль ошибок персонала и привязка данных к объектам учетной системы для формирования эффективной аналитики.
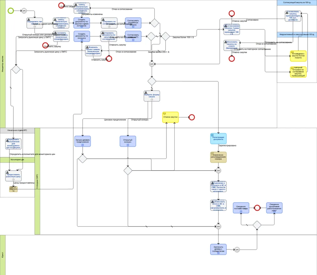
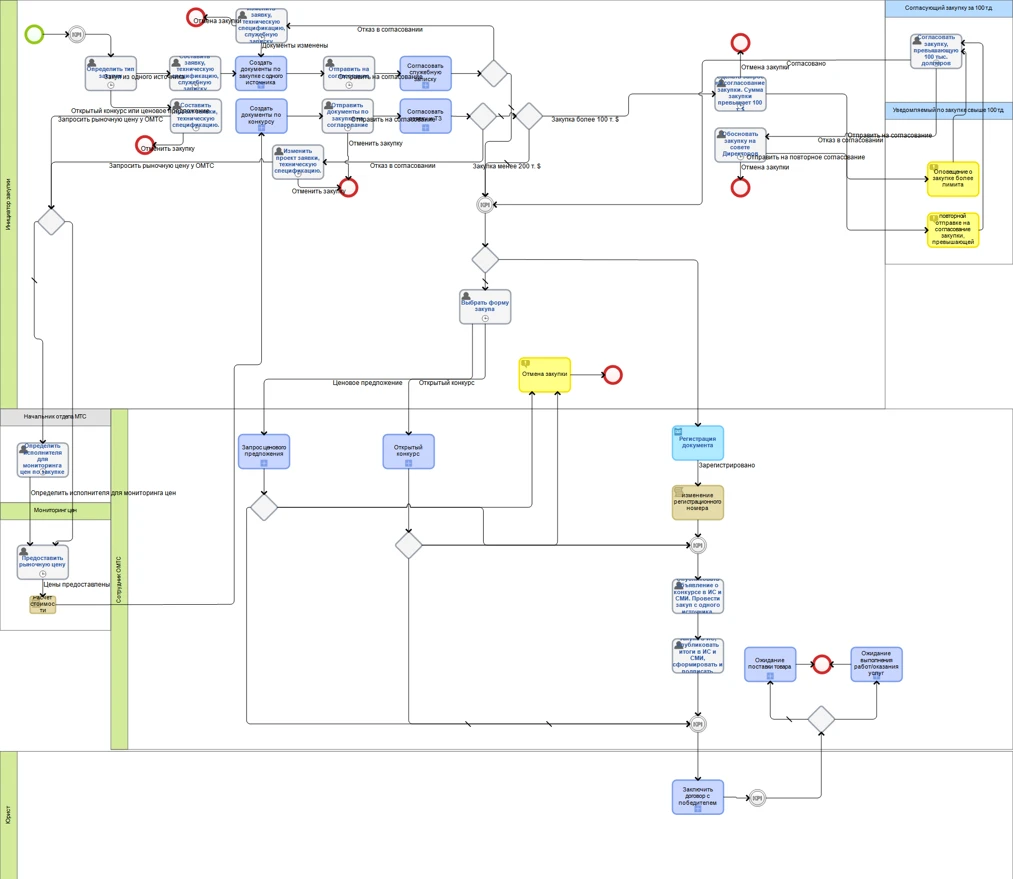
В крупном бизнесе все чаще встречаются отдельные контуры, автоматизируемые с помощью гибких BPM подходов и WorkFlow-подсистем. В качестве примера можно привести бизнес-процесс организации и проведения тендеров, смоделированный и автоматизированный с помощью ELMA BPM для российской нефтедобывающей компании. Проведение тендера – только часть более объемного бизнес-процесса закупок. Тем не менее, как видно из примера, в конкретной нефтяной компании это достаточно внушительный и сложный процесс.
Визуализация процесса проведения тендеров в нефтедобывающей компании
На изображении представлена визуализация процесса проведения тендеров – порядок действий, участники процесса. Это первый шаг к последующей автоматизации бизнес-процесса с добавлением генерации документов, передачи данных в ERP-систему, интеграции с CRM и т.д.
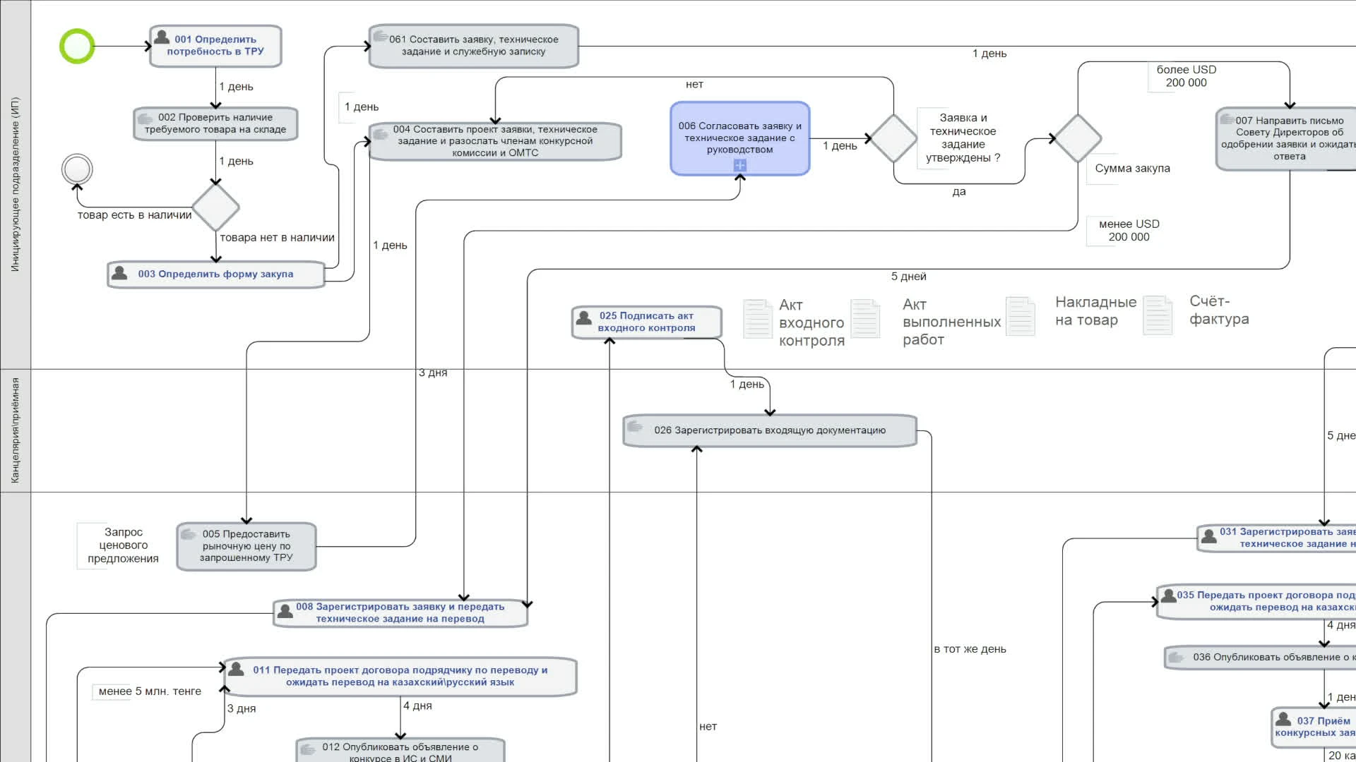
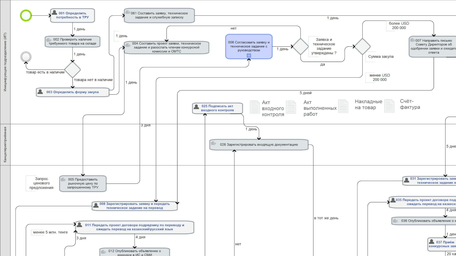
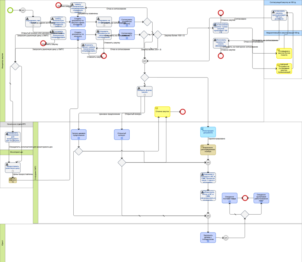
Следующий пример – бизнес-процесс проведения закупки в нефтяной компании, уже автоматизированный в системе ELMA BPM. Каждый синий блок на схеме представляет собой еще один процесс.
Карта бизнес-процесса закупок, автоматизированного в ELMA BPM
Детальнее об автоматизации закупок с помощью BPМS поговорим на примере среднего и малого бизнеса.
На предприятиях высокого эшелона чаще всего используются те же решения, что и в крупном бизнесе – серьезные кастомизированные модули ERP, отдельные интегрированные решения. В совсем малом бизнесе об автоматизации обычно не думают, так как стоимость специализированных решений не дает реальной выгоды от внедрения.
В среднем и мало-среднем бизнесе на автоматизацию закупок смотрят с новой стороны – со стороны создания решений на базе имеющихся платформ. Чаще всего это:
ECM – для формирования, согласования и хранения закупочной документации;
Финансовые и учётные системы – для планирования сумм и объектов закупки;
CRM – для поддержания контактов с участниками закупок;
BPM – для автоматизации отдельных этапов или всего процесса закупочной процедуры, включая подготовку, проведение и контроль закупки.
В этой среде эффективным является применение BPM-систем управления бизнес-процессами. На универсальной платформе можно быстро выстраивать и изменять контуры подготовки, проведения и контроля закупки. При таком решении весь процесс закупки исполняется и контролируется в рамках одной системы, его можно быстро менять и дополнять, что резко снижает затраты на внедрение.
Несмотря на все разнообразие закупочной деятельности в среднем бизнесе, в ходе автоматизации консультанты выделяют четыре основных блока работ, иначе называемых этапами закупок. Условно, каждый из прикладных WorkFlow при автоматизации закупок относится к одному из этих этапов:
Формирование потребности – этап появления необходимости в закупке;
Подготовка к закупке – внутренний этап работы;
Исполнение закупки – взаимоотношения с контрагентами;
Контроль исполнения – внутренний аудит и фактическое обеспечение потребности, сформированной в начале процесса.
Часто несколько этапов закрываются одним процессом, а иногда все четыре этапа реализуются как единый бизнес-процесс проведения закупки.
Этап формирования потребности зависит от специфики бизнеса. Основываясь на практическом опыте внедрения BPM-системы ELMA в компаниях клиентов, можно выделить несколько основных типов процессов формирования потребности:
Планирование – потребность формируется в виде плана закупки. Процессы отвечают за сбор и агрегирование информации из различных источников – ЦФО, подразделений, дочерних обществ.
Формирование потребности в виде плана закупок
Чаще всего итоговым документом, содержащим в себе запланированные потребности, является ГПЗ – Годовой план закупок. В этом случае процессы формирования или актуализации ГПЗ становятся основными на данном этапе.
Пример бизнес-процесса «Актуализация годового плана закупок»
Проектные закупки – потребность формируется при проектной деятельности на нескольких уровнях. Основной уровень плана проекта – когда для реализации работ, в рамках работы с рисками и мероприятиями по управлению, планируются определенные закупки. Вторичный план – ad-hoc закупки для обеспечения проектной деятельности.
Заявки сотрудников подразделений.
При отсутствии планирования или в дополнение к нему часто используют одномоментные заявки на закупку. В такой модели на первый план выходят процессы согласования заявок и их агрегирования в более крупных пакетах закупочных мероприятий.
Этап подготовки закупки включает в себя несколько параллельных процессов:
Сформированная потребность оформляется в виде публичных документов и четко детерминируется. Оформляются технические задания, спецификации, планы и другие документы, которые на следующем этапе передаются контрагентам.
Производится бюджетирование – отнесение к определённым статьям или внесение изменения в финансовые планы.
В случае проведения закупки в формате запроса предложений производится поиск и первичная оценка потенциальных поставщиков.
Собираются и согласовываются пакеты документов для проведения закупки.
Назначаются ответственные за исполнение закупочных процедур, проводимых на следующем этапе.
Основная часть, которая обычно и называется «проведение закупочной процедуры» – это третий этап, исполнение закупки.
Данный процесс обычно наиболее точно и полно описывается консультантами, автоматизируется в различных системах и состоит из нескольких основных блоков, задачи по автоматизации которых понятны и прозрачны.
Закупка подготавливается. Зафиксированные ранее ответственные формируют из документов конкурсные пакеты или иные наборы данных.
Конкурсная документация публикуется на площадке или рассылается участникам запросов предложений. Набор действий на этом этапе сильно зависит от типа закупочной процедуры. Например, некоторые регламенты требуют публикации данных о закупке в профильных СМИ или формального оповещения контролирующих органов.
На следующем шаге ответственные за закупку принимают заявки и предложения участников. Во многих компаниях это пакеты документов, но все чаще заявки приходят в электронном виде.
Большинство закупочных процедур предусматривают коммуникацию сотрудников предприятия и участников конкурса. Представители запрашивают дополнительную информацию и разъяснения, запрашивают документы в ходе проверки надежности. Частью данного этапа можно считать и объявление уторговывания как очередной раунд выбора.
Финалом процедуры является выбор поставщика. Обычно это достаточно сложный процесс, включающий сбор заключений от экспертов, организацию заседания закупочной комиссии и протоколирование решения данной комиссии, финальное подписание документов.
Переходом к следующему этапу – исполнению закупки – являются различные сервисные, часто интеграционные процессы. Информация о выбранном поставщике, плане поставок и оплат передается в соответствующие подразделения и системы по различным каналам.
Финалом любой процедуры является выбор поставщика. Обычно это достаточно сложный процесс. Он включает сбор заключений от экспертов, организацию заседания закупочной комиссии и протоколирование ее решения, финальное подписание документов.
Упрощённый процесс закупочной процедуры
Как можно увидеть, закупочная процедура сильно детерминирована и легко автоматизируется. Многие подпроцессы обладают достаточно высоким уровнем зрелости – они как минимум регламентированы, а часто автоматизированы и измеряемы.
BPMS при автоматизации основной закупочной процедуры становится недостающим компонентом, позволяя выйти на управляемость всей сети бизнес-процессов. Она предоставляет инструменты не только быстрого исполнения и мониторинга, но и целевого управления изменениями.
Это пограничный этап. Блок процессов исполнения контракта не корректно включать в контур закупок – здесь точка управления передается профильным системам, ERP или другим учетным контурам, а роль департамента закупок сводится к корректной передаче информации, сопровождении проведенной закупки и аналитике. Примером такой аналитики может быть формирование реестра постоянных или, наоборот, неблагонадежных поставщиков.
Какие процессы контролируются в закупках на этапе исполнения?
Заключение договора;
Оплата счетов;
Документальное подтверждение поставки;
Контроль качества исполнения.
Бизнесу важно контролировать и результаты закупок, и сам процесс. Показатели эффективности в закупках – тема для отдельной большой статьи. В качестве примера можно выделить три вполне классических направления, по которым собирают аналитику предприятия, использующие ELMA BPM для автоматизации закупок:
Сроки выполнения задач на каждом шаге процесса – с точки зрения компании и конкретного исполнителя;
Фиксация фактов реального мира – документы и проводки;
Затраты на проведение закупочных процедур и эффективность расходования средств.
Пример бизнес-процесса с контролем сроков выполнения задач
Мы рассмотрели возможности автоматизации многоуровневого процесса закупок и отдельных подпроцессов, входящих в его состав. Более детально тема автоматизации закупочных процедур с помощью BPMS была раскрыта в рамках конференции «Бизнес-процессы, понятные бизнесу». Докладчики приводят большое количество примеров бизнес-процессов из реальной практики ELMA, а также показывают, как выглядят интерфейсы системы, в которых работают участники закупочных процедур.
Поделиться:
Комментарии

Разбираем цепочку ролей и зон ответственностей: кто формирует стратегию CX, кто отвечает за внедрение изменений в процессах и кто все реализовывает.

Узнайте, что такое воронка продаж и как она выглядит. Подробный гид по этапам: от квалификации до сделки. Разбираем, как построить и автоматизировать воронку в современной системе.

В этой статье разбираем какие первичные бухгалтерские документы встречаются в работе чаще всего, как правильно оформлять первичку на практике и как грамотно организовать связанные с ней рабочие процессы.